Замок дверей промислової шафиє ключовим захисним компонентом розподільної шафи, комунікаційної шафи, блоку керування та іншого обладнання, яке безпосередньо пов’язане з безпекою внутрішніх електричних компонентів і стабільною роботою системи.
Щоб задовольнити різноманітні вимоги щодо термінів доставки та специфікацій для різних проектів, наша компанія завжди має в наявності п’ять типів замків, які зазвичай використовуються --Довгий замок, Блокування панелі, Замок керування штангою, Замок ручки,Поворотний язиковий замок. У той же час ми підтримуємо будь-який нестандартний замок, виготовлений за кресленнями або зразками, який ідеально підходить для всіх видів металевих розподільних коробок.
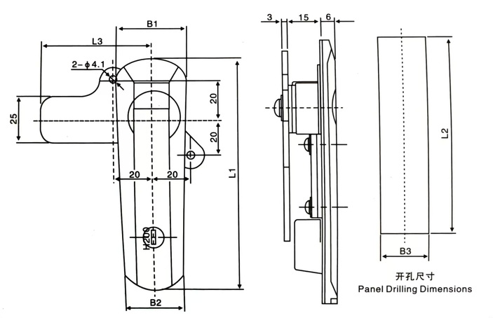
Плоский замок є одним із найпоширеніших типів промислових дверних замків для шаф, красивий і простий в обслуговуванні. Наша компанія запустила площинні замки серії AB301, AB302, AB303, AB402, AB403, які мають структурну міцність, ефективність захисту та відчуття роботи від диференційованого дизайну, можуть відповідати різним специфікаціям розподільної коробки, вимогам до встановлення шафи керування.
| Розміри | Номер продукту | |||||||
| L1 | L2 | L3 | B1 | B2 | Сіре хромування | Сірий балончик | Чорне порошкове покриття | Вага (г) |
| 147 | 117 | 72 | 33 | 26.5 | АВ301-1-1.2 | АВ301-1-1.8 | AB301 | 370 |
| 120.5 | 95.5 | 65 | 30 | 23.5 | АВ301-2-1.2 | АВ301-2-1.8 | AB302 | 290 |
| 87.5 | 62.5 | 65 | 28.5 | 23.5 | АВ301-3-1.2 | АВ301-3-1.8 | AB303 | 215 |
Основний матеріал: сплав цинку.
Обробка поверхні: яскравий хром, матовий, чорний.
Функція та використання: відкривання дверей ліворуч і праворуч, проста у використанні, з герметизацією та водонепроникною функцією.
Основний матеріал: сплав цинку.
Обробка поверхні: яскравий хром, матовий, чорний.
Функція та використання: відкривання дверей ліворуч і праворуч, проста у використанні, з герметизацією та водонепроникною функцією.
Матеріал: корпус замка зі сплаву цинку, обертовий вал, засув з оцинкованої сталі, натискна пластина.
Обробка поверхні: сріблясто-сірий нано спрей.
Опис конструкції: Поверніть на 90 градусів, щоб відкрити або заблокувати.
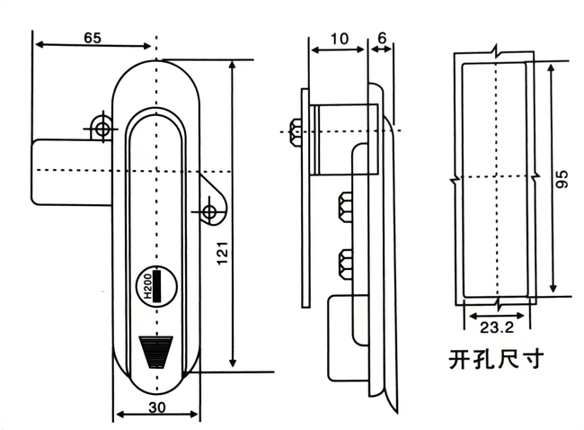
| МОДЕЛЬ | L1 | L2 | L3 | B1 | B2 | B3 |
| НОВИЙ AB402-A | 123 | 95.5 | 65 | 36.5 | 30 | 23.5 |
| НОВИЙ AB403-A | 91 | 62.5 | 65 | 33 | 28.5 | 23.5 |
| НОВИЙ AB401-A | 151 | 117 | 72 | 36 | 30 | 26.5 |
